✕
自主产品
自主产品
高频读写头
总线模块
阀岛
工业交换机
载码体
网关模块
连接线缆
转接器
代理产品
慷博电缆
欧姆龙
繁易
斯普锐
思谷智能
首页
新闻中心
关于我们
联系我们
下载中心
解决方案
品质保证 精益求精
QUQLITY ASSURANCE
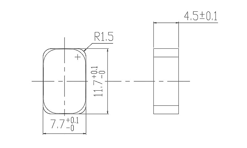
高频载码体(13.56MHz)ST-3S1208T
提交产品意向单
产品详情
热门产品
6口EtherCAT分支器ST-EC6SW
16口工业交换机 ST016G
8口工业交换机ST08G
高频载码体(13.56MHz)ST-3S6634T
高频载码体(13.56MHz)ST-3S1208T-意向单
联系人
联系电话
备注
©
深圳市深拓智能有限公司
版权所有
粤ICP备2022061931号-1
在线客服
电话:
18100296385
邮箱:
18100296385@163.com
微信:
18100296385
微信号已复制
我知道了